聯系電話:
4006-181-398

產品型號:Y645F/W
公稱通徑:DN15-100
公稱壓力:1.6-4.0MPa
適用溫度:PTFE:-30℃~180℃
設計標準:GB、ANSI、DIN、ISO
連接方式:法蘭式
主要零件材質
閥體材質:304、316、316L
閥芯材質:304、316、316L
閥座材質:PTFE、F46
氣缸材質:聚酰胺PA、不銹鋼
主要性能規范
|
口徑 |
英寸 |
內徑 |
Kv值 |
壓差Max |
氣源壓力 |
氣缸缸徑 |
流向 |
|
DN10 |
3/8’ |
10 |
3.7 |
0-16bar |
4-7bar |
50 |
蒸汽、氣體 閥座上流向 |
|
DN15 |
1/2’ |
15 |
4.2 |
50 |
|||
|
DN20 |
3/4’ |
20 |
8.0 |
50 |
|||
|
DN25 |
1’ |
25 |
19.0 |
63 |
|||
|
DN32 |
1-1/4’ |
32 |
27.5 |
63 |
|||
|
DN40 |
1-1/2’ |
40 |
42.0 |
63 |
液體、氣體 防水錘 閥座下流向 |
||
|
DN50 |
2’ |
50 |
55.0 |
80 |
|||
|
DN65 |
2-1/2’ |
65 |
90 |
100 |
|||
|
DN80 |
3 |
80 |
|
100 |
|||
|
DN100 |
4 |
100 |
|
125 |
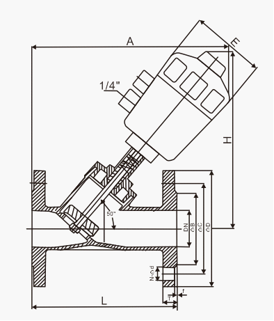
主要外形尺寸
|
公稱通徑 |
L |
T |
f |
D |
C |
B |
N-Φd |
A |
H |
E |
氣動頭 |
|
15 |
120 |
14 |
2 |
95 |
65 |
40 |
4-Φ14 |
180 |
137 |
64 |
Φ50 |
|
20 |
130 |
14 |
2 |
105 |
75 |
50 |
4-Φ14 |
185 |
145 |
64 |
Φ50 |
|
25 |
140 |
14 |
2 |
115 |
85 |
60 |
4-Φ14 |
220 |
185 |
80 |
Φ63 |
|
32 |
150 |
16 |
2 |
135 |
100 |
70 |
4-Φ18 |
240 |
210 |
80 |
Φ63 |
|
40 |
180 |
16 |
2 |
145 |
110 |
80 |
4-Φ18 |
245 |
260 |
80 |
Φ63 |
|
50 |
195 |
16 |
2 |
160 |
125 |
92 |
4-Φ18 |
265 |
280 |
100 |
Φ80 |
|
65 |
230 |
18 |
2 |
185 |
145 |
115 |
4-Φ18 |
280 |
300 |
100 |
Φ80 |
|
80 |
230 |
18 |
2 |
195 |
160 |
130 |
8-Φ18 |
320 |
330 |
126 |
Φ100 |
|
100 |
280 |
18 |
2 |
215 |
180 |
150 |
8-Φ18 |
360 |
350 |
156 |
Φ125 |

京公網安備 XXXXXXXXXXXXX